Typically, multi-function numerical generator protection relays are now used to provide out-of-step tripping (OST) for large unit-connected generators. However, some users prefer to maintain older existing infrastructure, such as electromechanical relays. 78 OST protection must meet PRC-026-2 Criterion A of Attachment B requirements as follows:
PRC-026 Criterion A of Attachment B indicates that a 78 impedance-based out-of-step protection function should not trip during a stable power swing when the relay characteristic is completely within the unstable power-swing region. The unstable power swing region is formed by the union of three shapes in the impedance plane:
- Lower loss-of-synchronism circle based on a ratio of the sending-end to receiving-end voltages of 0.7
- Upper loss-of-synchronism circle based on a ratio of the sending-end to receiving-end voltages of 1.43
- Lens that connects the end points of the total system impedance bounded by varying the sending end and receiving-end voltages from 0.0 to 1.0 per unit, while maintaining a constant system separation angle across the total system impedance, where the system separation angle is defined as follows:
- At least 120 degrees, or
- An angle less than 120 degrees where a documented transient stability analysis shows the expected maximum stable separation angle is less than 120 degrees.
All generation is in-service, and all transmission BES elements are in their normal operating state when calculating the system equivalent impedance.
Saturated reactance is used for all machines.
Criterion A provides a basis for determining if the 78 function should not trip during a stable power swing having a system separation angle of up to 120 degrees, with the sending end and receiving end voltages varying from 0.7 to 1.0 per unit.
It can be challenging to set electromechanical relays properly for this type of application, and the level of protection provided typically cannot match the corresponding protection provided by numerical relays.
APPLICATION
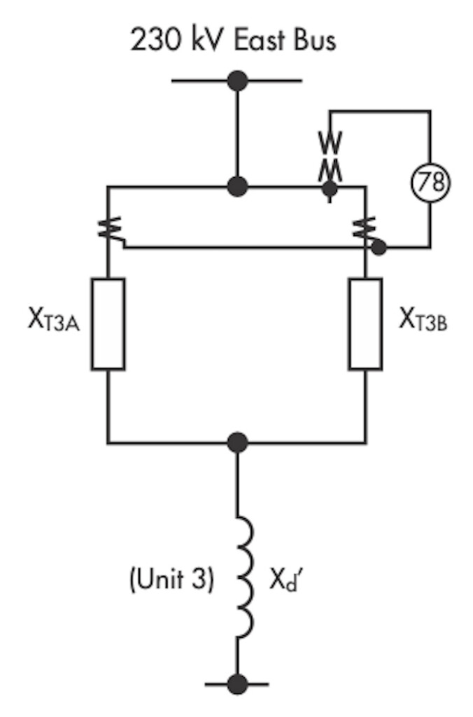
This example demonstrates how to set an existing KD-10 electromechanical distance relay for this application. The KD-10 relay is a polyphase compensator-type relay that provides a single zone of phase distance protection for all three phases. Figure 1 shows the one-line diagram for this particular application. The relay is located on the high side of the two parallel GSUs and measures the total current flowing into the adjoining 230-kV system.

The relay is located at the bus on the high side of the parallel GSUs. Therefore, set the reach to see the equivalent GSU impedance (XTR) plus the saturated generator direct axis transient reactance (Xd’) as shown in Figure 2.[1] Care must be taken to use the correct base when calculating the total impedance to determine the proper reach, which is the 230-kV system, not the generator.

Figure 3 shows the actual Mho characteristic that was calculated for this application. One of the main drawbacks to using the KD-10 for this application is that there are no blinders to keep the operating characteristic from operating during a stable swing. Therefore, the reach must be pulled back if necessary, which can compromise the protection. Unstable swings travel through either the generator or the GSU for large machines. The blinder shown in Figure 3 is for illustrative purposes only.

Figure 4 shows the actual Mho characteristic for the application. The reach was pulled back until it met the PRC-026-2 requirements.

CONCLUSION
This article demonstrates some of the inherent advantages offered by numerical protection relays.
REFERENCES
- Reimert, Donald. (2017) Protective Relaying for Power Generation Systems. 1st ed. CRC Press, page 304.

Steve Turner is a Consultant at Sargent & Lundy. He was previously in charge of system protection for the Fossil Generation Department at Arizona Public Service Company for five years. Turner formerly held positions at Beckwith Electric Company, GEC Alstom, SEL, and Duke Energy, where he developed the first patent for double-ended fault location on overhead high-voltage transmission lines and was in charge of maintenance standards in the transmission department for protective relaying. He has BSEE and MSEE degrees from Virginia Tech University. Turner is an IEEE Senior Member and a member of the IEEE PSRC and has presented at numerous conferences.
